曝气风机(密集型)

- 曝气风机(空气悬浮)装修
- 空气悬浮离心鼓风机是一种高效节能环保的新型鼓风机,具有节能、低噪声、无油、运行可靠、操作维护简单和半永久性寿命等特点。

- 曝气风机(磁悬浮)
- 磁悬浮高速离心鼓风机采用了高速永磁同步电机的直驱结构,将离心叶轮和电机驱动一体化集成设计。它通过内置的位移传感器实检测转子轴的振动、转子轴的空间间隙,将得到的信号送入磁悬浮轴承控制器进行调理、解析、运算、产生控制电流,再将该电流输入磁轴承绕转线圈,产生电磁力,从而实现转子轴的悬浮。

- 回转式鼓风机
- 产品介绍:结构精巧,主要由下列六部分组成:电机、空气过滤器、鼓风机本体、空气室、底座(兼油箱)、滴油嘴。回转鼓风机靠汽缸内偏置的转子偏心运转,并使转子槽中的叶片之间的容积变化将空气吸入、压缩、吐出。回转风机在运转中利用鼓风机压力差自动将润滑送到滴油嘴,滴入气缸内以减少摩擦及噪声,同时可保持汽缸内气体不回流。

【公告】华东风机网站所用产品、车间、发货、案例等图片均为现场实拍,部分图片现已被多家同行盗用,为防广大客户上当受骗,特此告知!!!
▲曝气风机(密集型)

▍产品介绍:
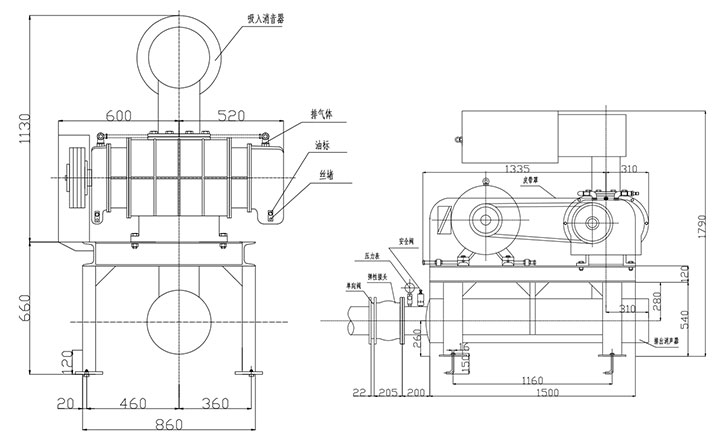
曝气风机叶轮采用渐开线型线,先进合理,整机效率高、材质优、寿命长、噪音低。采用强制润滑,升压高、转子平衡精度高、振动小、长期运行安全可靠。主要零部件采用数控设备加工,齿轮采用5级精度,产品精度高,运行可靠。机壳、墙板采用中分结构,检修方便。结构紧凑,体积小、重量轻、使用维护方便。
▍技术指标:
鼓风机流量:81.36-132.82m3/min;
升压:9.8~98kPa;
电机功率:22kw-132kw。
▍产品参数:
| 型号 | 压力范围 | 流量范围 | 可配套电机 |
| HDSR50 | 9.8kpa-58.8kpa | 0.67m3/min-2.48m3/min | 0.55kw-4kw |
| 63.7kpa-98kpa | 0.45m3/min-2.02m3/min | 2.2kw-7.5kw | |
| HDSR65 | 9.8kpa-58.8kpa | 0.95m3/min-3.64m3/min | 0.55kw-5.5kw |
| 63.7kpa-98kpa | 0.78m3/min-2.96m3/min | 3kw-11kw | |
| HDSR80 | 9.8kpa-58.8kpa | 2.36m3/min-6.13m3/min | 1.5kw-11kw |
| 63.7kpa-98kpa | 1.82m3/min-5.24m3/min | 5.5kw-15kw | |
| HDSR100 | 9.8kpa-58.8kpa | 3.28m3/min-9.62m3/min | 1.5kw-15kw |
| 63.7kpa-98kpa | 2.65m3/min-8.67m3/min | 7.5kw-18.5kw | |
| HDSR125 | 9.8kpa-58.8kpa | 5.37m3/min-13.39m3/min | 2.2kw-22kw |
| 63.7kpa-98kpa | 4.64m3/min-12.25m3/min | 11kw-30kw | |
| HDSR150 | 9.8kpa-58.8kpa | 10.39m3/min-29.61m3/min | 5.5kw-55kw |
| 63.7kpa-98kpa | 9.53m3/min-28.35m3/min | 18.5kw-75kw | |
| HDSR175 | 9.8kpa-58.8kpa | 19.65m3/min-40.67m3/min | 11kw-75kw |
| HDSR200 | 9.8kpa-58.8kpa | 27.65m3/min-58.81m3/min | 15kw-90kw |
| 63.7kpa-98kpa | 25.34m3/min-56.92m3/min | 55kw-132kw | |
| HDSR250 | 9.8kpa-58.8kpa | 61.4m3/min-97.1m3/min | 18.5kw-132kw |
| 63.7kpa-98kpa | 58.1m3/min-93.7m3/min | 90kw-220kw | |
| HDSR300 | 9.8kpa-58.8kpa | 87.1m3/min-136.7m3/min | 22kw-185kw |
| 63.7kpa-98kpa | 83.8m3/min-134.4m3/min | 132kw-280kw | |
| HDSR350 | 9.8kpa-58.8kpa | 111.9m3/min-198.1m3/min | 30kw-250kw |
| 63.7kpa-98kpa | 102.2m3/min-179.65m3/min | 185kw-400kw |
▍产品示意图:

▍主要用途:
曝气风机主要应用于污水处理中,用作曝气设备,密集型曝气风机主要特点是占地面积小,适合在面积狭小的空间内使用。


▍曝气风机(密集型)生产流程:




▍产品包装与发货:


▍公司简介▍
山东华东风机有限公司,成立于2010年,自2007年从事于鼓风机业务,位于山东济南章丘明水经济技术开发区,注册资金1.0525亿元,占地面积10万平方米,6万平方米的标准厂房,100多台数控加工设备,现拥有职工400余人,其中,以博士、硕士为核心的技术研发人员60人。
企业发展至今,以现代化科学管理模式,依托国内风机行业知名专家及名牌大学,引用精益求精的工艺技术,配以先进的生产设备及严格的检测手段,坚持“视质量为企业生存之本”的创业思想作为博得市场的先决条件,全面赢得客户的一致好评和良好的社会信誉... ...【查看更多】

![]()
欢迎来到山东华东风机有限公司官网,如果您想了解更多的产品信息,或对我们的工作有任何的建议,您可通过以下任一种方式联系我们。
山东华东风机有限公司
咨询热线:4008-797-786
手机:18005418673
邮箱:huadong688@163.com
| * 联系人: | 请填写您的真实姓名 |
| * 手机号码: | 请填写您的联系电话 |
| 电子邮件: | |
| * 采购意向描述: | |
| 请填写采购的产品数量和产品描述,方便我们进行统一备货。 | |
| 验证码: |
|

- 曝气风机(空气悬浮)装修
- 空气悬浮离心鼓风机是一种高效节能环保的新型鼓风机,具有节能、低噪声、无油、运行可靠、操作维护简单和半永久性寿命等特点。

- 曝气风机(磁悬浮)
- 磁悬浮高速离心鼓风机采用了高速永磁同步电机的直驱结构,将离心叶轮和电机驱动一体化集成设计。它通过内置的位移传感器实检测转子轴的振动、转子轴的空间间隙,将得到的信号送入磁悬浮轴承控制器进行调理、解析、运算、产生控制电流,再将该电流输入磁轴承绕转线圈,产生电磁力,从而实现转子轴的悬浮。

- 回转式鼓风机
- 产品介绍:结构精巧,主要由下列六部分组成:电机、空气过滤器、鼓风机本体、空气室、底座(兼油箱)、滴油嘴。回转鼓风机靠汽缸内偏置的转子偏心运转,并使转子槽中的叶片之间的容积变化将空气吸入、压缩、吐出。回转风机在运转中利用鼓风机压力差自动将润滑送到滴油嘴,滴入气缸内以减少摩擦及噪声,同时可保持汽缸内气体不回流。
相关资讯
| 我要评论: | |
| 内 容: |
(内容最多500个汉字,1000个字符) |
| 验证码: | 看不清?! |












共有-条评论【我要评论】